Prednosti
- optimiziran trošak čišćenja i pražnjenja
- trajnost
- statička svojstva
- pristup sukladno HRN EN 476
- jednostavno održavanje
- brza ugradnja
- sigurnost od uzgona*
- vatrootpornost*
*ovisno o odabranoj izvedbi separatora
You are using an old browser that we do not support anymore. Please consider using a modern web browser such as Microsoft Edge, Google Chrome or Firefox for the best website experience.

Separatori lakih tekućina bez mimotoka najčešće se koriste tamo gdje postoji rizik od havarije kod koje može doći do izlijevanja većih količina naftnih derivata (benzinske postaje, trafo stanice i sl.) ili tamo gdje se očekuju veće koncentracije lakih tekućina u otpadnim vodama (autopraonice, auto servisi, auto otpadi i sl.).
ACO Oleopator C separatori lakih tekućina iz armiranog betona predstavljaju vrhunski proizvod za odvajanje lakih tekućina iz otpadne vode, kako u praksi dokazanu „Oleopator“ separatorsku tehnologiju s prednostima vrhunskih statičkih svojstava armiranog betona klase čak i do C 60/70. Kao krajnji rezultat ove kombinacije, kupac dobiva dugovječan, učinkovit i pouzdan separator, velike nosivosti koja dopušta njegovu primjenu praktički u bilo kakvoj površini bez obzira na očekivano opterećenje koji je konstruiran, ispitan i proizveden u skladu s HRN EN 858-1.
Oleopator C separatori u svom proizvodnom programu nude iznimno širok raspon rješenja koja kombiniraju protočne kapacitete do 100 l/s s različitim volumenima taložnica nudeći optimalno rješenje za pročišćavanje tehnoloških otpadnih voda u bilo kojoj projektnoj situaciji.
| Br. artikla | NS | Volumen | Uljev/izljev | Masa | ||
|---|---|---|---|---|---|---|
| Taložnice | Ulja | Ukupno | OD | Donji dio | ||
| [l] | [l] | [l] | [mm] | [kg] | ||
| 722100 | 1,5 | 150 | 163 | 500 | 110 | 1468 |
| 722101 | 3 | 300 | 163 | 750 | 110 | 1765 |
| 722103 | 600 | 163 | 930 | 2279 | ||
| 722105 | 4 | 400 | 160 | 740 | 160 | 1769 |
| 722108 | 1200 | 236 | 1530 | 2888 | ||
| 722110 | 6 | 600 | 160 | 910 | 160 | 2287 |
| 722112 | 1200 | 236 | 1530 | 2888 | ||
| 722113 | 1800 | 576 | 2650 | 4397 | ||
| 722114 | 2500 | 576 | 3240 | 4219 | ||
| 722115 | 5000 | 1272 | 6480 | 6943 | ||
| 722116 | 8 | 800 | 273 | 1520 | 160 | 3862 |
| 722117 | 1600 | 576 | 2300 | 3995 | ||
| 722119 | 2400 | 576 | 3240 | 4220 | ||
| 722118 | 8-10 | 1000 | 273 | 1520 | 160 | 2889 |
| 722121 | 2500 | 576 | 3240 | 4220 | ||
| 722123 | 5000 | 1272 | 6480 | 6944 | ||
| Br. artikla | NS | Volumen | Uljev/izljev | Masa | ||
|---|---|---|---|---|---|---|
| Taložnice | Ulja | Ukupno | OD | Donji dio | ||
| [l] | [l] | [l] | [mm] | [kg] | ||
| 722120 | 10 | 2000 | 576 | 2700 | 160 | 4398 |
| 722122 | 3000 | 576 | 3790 | 4776 | ||
| 722124 | 15 | 1500 | 464 | 2440 | 200 | 4405 |
| 722125 | 3000 | 1163 | 4620 | 160 | 4783 | |
| 722126 | 5000 | 594 | 6970 | 200 | 7152 | |
| 722127 | 20 | 2000 | 594 | 3200 | 200 | 4243 |
| 722128 | 4000 | 1163 | 5630 | 6322 | ||
| 722129 | 5000 | 1163 | 6970 | 7153 | ||
| 722130 | 6000 | 1163 | 7730 | 7759 | ||
| 722131 | 30 | 3000 | 1513 | 2550 | 250 | 6690 |
| 722132 | 5000 | 1513 | 2550 | 7799 | ||
| 722133 | 6000 | 1513 | 2550 | 8503 | ||
| 722134 | 40 | 4000 | 1350 | 4565 | 315 | 7806 |
| 722135 | 5000 | 1350 | 4565 | 8006 | ||
| 722136 | 50 | 5000 | 1350 | 4565 | 315 | 8006 |
| Br. artikla | NS | Volumen | Uljev/izljev | Masa | |
|---|---|---|---|---|---|
| Ulja | Ukupno | OD | Donji dio | ||
| [l] | [l] | [mm] | [kg] | ||
| 722300 | 1,5-3 | 163 | 450 | 110 | 1468 |
| 722301 | 4-6 | 160 | 470 | 160 | 1481 |
| 722302 | 8-10 | 185 | 470 | 160 | 1482 |
| 722303 | 15 | 464 | 1550 | 200 | 3870 |
| 722304 | 20 | 594 | 1550 | 250 | 3879 |
| 722305 | 30 | 654 | 1520 | 315 | 3902 |
| 722306 | 40 | 1350 | 3760 | 315 | 5867 |
| 722307 | 50 | 1350 | 3760 | 315 | 5867 |
| 722308 | 65 | 1674 | 4600 | 315 | 6521 |
| 722309 | 80 | 2216 | 6050 | 400 | 7445 |
| 722310 | 100 | 2216 | 7370 | 400 | 8305 |
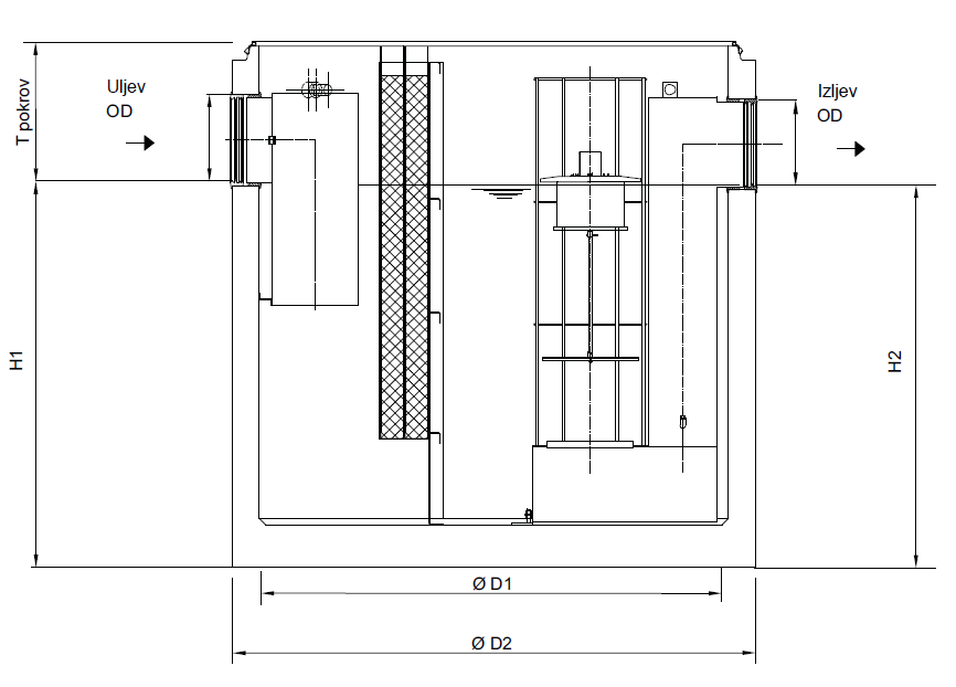
| Br. artikla | NS | Dimenzije | Dubina uljevne cijevi | Br. artikla | Br. artikla | ||||
| H1 | H2 | ØD1 | ØD2 | T tank | Tmax | STANDARD pokrovna ploča | POVIŠENA pokrovna ploča | ||
| [mm] | [mm] | [mm] | [mm] | [mm] | [mm] | ||||
|---|---|---|---|---|---|---|---|---|---|
| 722100 | 1,5 | 790 | 770 | 1000 | 1270 | 375 | 5360 | 728000 | - |
| 722101 | 3 | 1120 | 1100 | 1000 | 1270 | 365 | 5350 | 728000 | - |
| 722103 | 1360 | 1340 | 1000 | 1270 | 400 | 5385 | 728000 | - | |
| 722105 | 4 | 1095 | 1075 | 1000 | 1270 | 390 | 5375 | 728000 | - |
| 722108 | 1520 | 1500 | 1200 | 1475 | 355 | 5340 | 728000 | 728213 | |
| 722110 | 6 | 1335 | 1315 | 1000 | 1270 | 425 | 5410 | 728000 | - |
| 722112 | 1520 | 1500 | 1200 | 1475 | 355 | 5340 | 728007 | 728213 | |
| 722113 | 1640 | 1620 | 1500 | 1820 | 370 | 5355 | 728012 | 728209 | |
| 722114 | 2005 | 1985 | 1500 | 1740 | 380 | 5365 | 728012 | 728209 | |
| 722115 | 1925 | 1905 | 2200 | 2440 | 400 | 5385 | 728026 | 728214 | |
| 722116 | 10 | 1150 | 1130 | 1500 | 1740 | 415 | 5400 | 728012 | 728209 |
| 722117 | 1440 | 1420 | 1500 | 1820 | 370 | 5355 | 728012 | 728209 | |
| 722119 | 2005 | 1985 | 1500 | 1740 | 380 | 5365 | 728012 | 728209 | |
| 722118 | 8-10 | 1520 | 1500 | 1200 | 1475 | 355 | 5340 | 728007 | 728213 |
| 722121 | 2005 | 1985 | 1500 | 1740 | 380 | 5365 | 728012 | 728209 | |
| 722123 | 1925 | 1905 | 2200 | 2440 | 400 | 5385 | 728026 | 728214 | |
| Br. artikla | NS | H1 | H2 | ØD1 | ØD2 | T pokrov | Dubina uljevne cijevi | Br. artikla | Br. artikla |
| Tmax | STANDARD pokrovna ploča | POVIŠENA pokrovna ploča | |||||||
| [mm] | [mm] | [mm] | [mm] | [mm] | [mm] | ||||
| 722120 | 10 | 1675 | 1655 | 1500 | 1820 | 335 | 5320 | 728012 | 728209 |
| 722122 | 2340 | 2320 | 1500 | 1740 | 375 | 5360 | 728012 | 728209 | |
| 722124 | 15 | 1620 | 1600 | 1500 | 1820 | 390 | 5375 | 728013 | 728224 |
| 722125 | 2270 | 2250 | 1500 | 1740 | 445 | 5430 | 728013 | 728224 | |
| 722126 | 2055 | 2035 | 2200 | 2440 | 400 | 5385 | 728027 | 728226 | |
| 722127 | 20 | 1980 | 1960 | 1500 | 1740 | 405 | 5390 | 728012 | 728209 |
| 722128 | 1700 | 1680 | 2200 | 2440 | 355 | 5340 | 728027 | 728214 | |
| 722129 | 2055 | 2035 | 2200 | 2440 | 400 | 5385 | 728027 | 728214 | |
| 722130 | 2255 | 2235 | 2200 | 2440 | 460 | 5445 | 728027 | 728214 | |
| 722131 | 30 | 1760 | 1740 | 2200 | 2440 | 430 | 5415 | 728026 | 728214 |
| 722132 | 2230 | 2210 | 2200 | 2440 | 485 | 5470 | 728026 | 728214 | |
| 722133 | 2440 | 2420 | 2200 | 2440 | 455 | 5440 | 728026 | 728214 | |
| 722134 | 40 | 2130 | 2110 | 2200 | 2440 | 585 | 5570 | 728028 | 728222 |
| 722135 | 2305 | 2285 | 2200 | 2440 | 540 | 5525 | 728028 | 728222 | |
| 722136 | 50 | 2305 | 2285 | 2200 | 2440 | 540 | 5525 | 728028 | 728222 |
| Br. artikla | NS | H1 | H2 | ØD1 | ØD2 | T pokrov | Dubina uljevne cijevi | Br. artikla | Br. artikla |
| Tmax | STANDARD pokrovna ploča | POVIŠENA pokrovna ploča | |||||||
| [mm] | [mm] | [mm] | [mm] | [mm] | [mm] | ||||
| 722300 | 1,5-3 | 785 | 765 | 1000 | 1270 | 375 | 5375 | 728000 | - |
| 722301 | 4-6 | 785 | 765 | 1000 | 1270 | 380 | 5380 | 728000 | - |
| 722302 | 8-10 | 785 | 765 | 1000 | 1270 | 380 | 5380 | 728000 | - |
| 722303 | 15 | 1105 | 1085 | 1500 | 1740 | 460 | 5460 | 728013 | 728209 |
| 722304 | 20 | 1105 | 1085 | 1500 | 1740 | 460 | 5460 | 728013 | 728209 |
| 722305 | 30 | 1080 | 1060 | 1500 | 1740 | 485 | 5485 | 728019 | 728230 |
| 722306 | 40 | 1210 | 1190 | 2200 | 2440 | 585 | 5585 | 728028 | 728222 |
| 722307 | 50 | 1210 | 1190 | 2200 | 2440 | 585 | 5625 | 728028 | 728222 |
| 722308 | 65 | 1430 | 1410 | 2200 | 2440 | 625 | 5625 | 728036 | - |
| 722309 | 80 | 1810 | 1790 | 2200 | 2440 | 645 | 5645 | 728036 | - |
| 722310 | 100 | 2160 | 2140 | 2200 | 2440 | 685 | 5685 | 728036 | - |
Svaki model ACO Oleopator separatora (svaka nominalna veličina) laboratorijski je ispitivana pri nezavisnom ispitnom tijelu - LGA institutu (Landesgewerbeanstalt Bayern) iz Nürnberga. Prilikom ispitivanja separatora provjeravaju se, ne samo učinkovitost pročišćavanja, nego i sve ostale bitne tehničke karakteristike propisane normom (volumeni, korišteni materijali i sl.) - HRN EN 858-1:2002, točka 9.1. ACO je samo jedan od nekoliko Europskih proizvođača koji ima sve separatore do NS 100 hidraulički ispitane (obzirom da ne postoji uređaj za ispitivanje separatora lakih tekućina protoka većeg od 100 l/s ACO Oleopator separatori veći od NS 100 (100 l/s) nisu hidraulički ispitani).
Svi ACO separatori su, ne samo hidraulički ispitani, već i konstruirani na temelju rezultata hidrauličkih ispitivanja, kako bi se njihova konstrukcija i veličina uskladili sa zahtjevima norme s jedne strane, ali i optimizirali s druge strane. Na ovaj način smo dobili separatore koji za danu nominalnu veličinu (protok) imaju ukupni volumen među najmanjima na tržištu i koji od nekih konkurenata za istu nominalnu veličinu mogu imati i do 50% manji ukupni volumen (a time i toliko manje troškove zbrinjavanja / pražnjenja).
Oleopator separatori su koalescentni separatori lakih tekućina (nafte i naftnih derivata), što znači da za izdvajanje lakih tekućina iz otpadne vode separator koristi dvije fizikalne pojave: gravitaciju i efekt koalescencije.
Gravitacijska separacija funkcionira tako da lake tekućine koje su lakše od vode isplivaju na površinu separatora, a talog i zauljeni mulj koji su teži od vode padaju na dno (u integriranu taložnicu). Međutim, gravitacija ne djeluje na izrazito sitne čestice lakih tekućina stoga se za postizanje propisane učinkovitosti pročišćavanja u Oleopator separatorima koristi i efekt koalescencije. Naftni derivati imaju visok afinitet prema polipropilenu – lako se hvataju na polipropilenski materijal – pa je od polipropilenskog filca ili spužve napravljen koalescentni element na koji se primaju i zadržavaju sitne čestice naftnih derivata čime se postiže tražena učinkovitost pročišćavanja (lakih tekućina u izlaznoj vodi ≤ 5mg/l).
Prilikom rada, separator lakih tekućina izdvaja lake tekućine iz otpadne vode i skladišti ih na površini vode unutar separatora. Prostor za skladištenje separirane nafte je ograničen i najčešće ima debljinu od 15 do 30 cm. Ako se separator lakih tekućina koristi i za sprečavanje izlijevanja nafte (havarija), tada je neophodno da je opremljen uređajem za sprečavanje otjecanja separiranih lakih tekućina iz separatora tj. sigurnosnim plovkom (HRN EN 858-1:2002, točka 6.5.3).
Kako bi separator mogao normalno funkcinirati odnosno kako mulj iz otpadne vode prebrzo ne „začepi“ koalescentni element, separatori moraju imati taložnicu. Taložnica može biti zasebni dio smješten uzvodno prije samog separatora ili može biti dio konstrukcije separatora, a njena veličina se odabire u skladu s karakteristikama slivne površine na kojoj nastaje otpadna voda.
Važna napomena: učinkovitost taloženja nije propisana normom i separatori lakih tekućina ne služe za uklanjanje suspendiranih tvari, taloga ili sličnih onečišćenja iz otpadne vode (već samo za uklanjanje „Ukupnih ugljikovodika“).
ACO Oleopator separatori proizvode se s različitim veličinama integriranih taložnica, ali i bez taložnice kada se s njima kombiniraju zasebne taložnice.
ACO Oleopatori (do NS 50) koriste „vertikalnu separatorsku konstrukciju“ – kada je taložnica integrirana sa separatorom ona je smještena ispod separacijske komore, a između njih ne postoji fizička pregrada. Ovakva konstrukcija ima nekoliko prednosti:
ACO sa svojim betonskim separatorima, u standardnom obimu isporuke, isporučuje i gumene brtve za sve spojeve predfabriciranih betonskih elemenata za d ≥ 100 cm* (tijela separatora i pristupna okna). Za ovu namjenu koristimo DS SDV brtvu iz EPDM gume prema HRN EN 681-1 koja u jednom elementu kombinira tvornički podmazanu kliznu crijevnu brtvu za betonska okna sukladna HRN EN 1917 i prsten za raspodjelu opterećenja koji osigurava veliku kontaktnu površinu na spoju dvaju betonskih elementa.
Ove brtve se mogu brzo montirati na betonski element, čime svi pripremni radovi za postavljanje slijedećeg elementa završavaju. Za razliku od „standardnih“ brtvi gdje je nakon postavljanja brtve potrebno izraditi mortnu fugu kako bi se osigurao adekvatan prijenos opterećenja s jednog betonskog elementa na drugi. Korištenjem ovih brtvi, separator je odmah po završetku montaže vodotijesan i spreman za ispitivanje vodonepropusnosti.
* Za prstene poklopca (d < 100 cm) spojna / brtvena masa nije uključena u obim isporuke ACO betonskih separatora.
Da bi se osigurala normalna preglednost u separatoru (kako bi s poklopca vizualno mogla pregledati unutrašnjost separatora) te da bi separator bilo moguće učinkovito očistiti, pristupno okno separatora treba biti adekvatne veličine koja ovisi o dubini instalacije. Odnosno, ukoliko je pristupno okno duboko 2 metra, a svijetli otvor 60x60 cm, kroz njega se ne vidi što se događa u separatoru te mlaz vode kojim se čisti unutrašnjost separatora ne može dosegnuti stijenke separatora niti se u slučaju potrebe djelatnik održavanja može spustiti u separator.
Pojednostavljeno tumačenje HRN EN 476, točka 6.1. kaže:
Ova razlika (dvije verzije) postoji zbog poštivanja HRN EN 476 tj. zbog osiguravanja normalne pristupačnosti separatoru (za veće dubine ugradnje pristup kroz 60 cm pristupno okno ne omogućava normalno održavanje separatora).
3. NASTAVCI PRISTUPNOG OKNA ili prsteni poklopca
Za precizno prilagođavanje pristupnog okna separatora terenu, na pokrovnu ploču dodajemo standardne nastavke pristupnog okna i/ili prstene poklopca.
| Br. artikla | Tip | Dimenzije | Pozicioniranje prstena poklopca na povišenje okna 1 i 2 | Ukupna visina uključujući fuge od maltera | Težina | ||
| T | D1 | D2 | |||||
| [mm] | [mm] | [mm] | [kg] | ||||
| 727400 | AR-V 625 x 60 | 60 | 625 | 865 | Poz. 1 | 70 | 50 |
| 727401 | AR-V 625 x 80 | 80 | 625 | 865 | Poz. 1 | 90 | 60 |
| 727402 | AR-V 625 x 100 | 100 | 625 | 865 | Poz. 1 | 110 | 70 |
| 727403 | AR-V 625 x 200 | 200 | 625 | 865 | Poz. 1 | 210 | 140 |
| 727404 | AR-V 625 x 400 | 400 | 625 | 865 | Poz. 1 | 410 | 280 |
| 727405 | AR-V 800 x 100 | 100 | 800 | 1100 | Poz. 1 | 110 | 110 |
| 727406 | AR-V 800 x 150 | 150 | 800 | 1100 | Poz. 1 | 160 | 165 |
| 727407 | AR-V 800 x 200 | 200 | 800 | 1100 | Poz. 1 | 210 | 220 |
| 727408 | AR-V 800 x 400 | 400 | 800 | 1100 | Poz. 1 | 410 | 415 |
| Br. artikla | Tip | Dimenzije | Pozicioniranje prstena poklopca na povišenje okna 1 i 2 | Ukupna visina uključujući fuge od maltera | Težina | ||
| T | D1 | D2 | |||||
| [mm] | [mm] | [mm] | [kg] | ||||
| 728110 | SR-M 1000 x 250 | 250 | 1000 | 1240 | Poz. 2 | 265 | 240 |
| 727111 | SR-M 1000 x 500 | 500 | 1000 | 1240 | Poz. 2 | 515 | 500 |
| 727112 | SR-M 1000 x 750 | 750 | 1000 | 1240 | Poz. 2 | 765 | 750 |
| 727113 | SR-M 1000 x 1000 | 1000 | 1000 | 1240 | Poz. 2 | 1015 | 1000 |
Naši armirano-betonski tankovi se proizvode iz betona različitih razreda čvrstoće, gdje je najslabiji C 45/55 (prema HRN EN 206:2021). Ovakav beton ima sadržaj cementa od 320 KG po m³ betona. Minimalna zahtijevana čvrstoća betona koju HRN EN 858-1 propisuje je C 35/45 (točka 6.2.2 norme).

Neke izvedbe separatora proizvodimo iz betona većih razreda čvrstoće tzv. HPC betona (od eng: High Perfomace Concrete) tj. betona visokih performansi. Razredi čvrstoće ovih betona su C 50/60 i C 60/75. Kada koristimo ove betone, ne koristimo zaštitne premaze zbog činjenice da ovakvi betoni, između ostalog, osiguravaju i bolju vodonepropusnost u odnosu na standardne betone.
Da bi se produžio životni vijek betonskih separatora proizvedenih iz betona niže čvrstoće (C 45/55) unutrašnjost separatora dodatno premazujemo zaštitnim premazom STEOPOX 246. To je pigmen- tirana dvokomponentna tekuća plastika bez otapala s tiksotropnim svojstvima koja je namijenjena za premazivanje interijera betonskih spremnika za vodu, cijevovoda, spremnika i drugih betonskih površina. Ispitan je u skladu s EN 858-1 kao unutarnji zaštitni premaz za separatore lakih tekućina (uključujući biodizel). Koristimo ga u 2 boje: RAL 5012 (svijetloplava) i RAL 7031 (plavo siva).
Kako bi se osigurala odgovarajuća trajnost betona on treba biti otporan na kemijsko i fizikalno djelovanje okoline. Ovakva otpornost je normom HRN EN 206 određena klasama izloženosti. Klase izloženosti uvjetuju sastav betona koji se koristi, minimalnu debljinu betonskog pokrova na armaturi kao i dopuštena veličinu (širinu) pukotina u betonu. Dozvoljena širina pukotine za betonske separatore je 0,2 mm.
Klase izloženosti koje naš beton zadovoljava:
KEMIJSKO DJELOVANJE
XA3 - jako kemijsko djelovanje
DJELOVANJE SMRZAVANJA I ODMRZAVANJA SA ILI BEZ SOLI ZA ODMRZAVANJE
XF4 - visoka zasićenost vodom sa solima za odmrzavanje. U ovu klasu treba svrstavati betonske površine izložene neposrednom djelovanju smrzavanja i soli za odmrzavanje kao što su npr. prometne kolničke površine i zone plime i oseke i zapljuskivanja valovima izložene i smrzavanju.
| OLEOPATOR-C-FST NS1,5 ST150 | dwg |
| OLEOPATOR-C-FST NS3 ST300 | dwg |
| OLEOPATOR-C-FST NS4 ST400 | dwg |
| OLEOPATOR-C-FST NS6 ST600 | dwg |
| OLEOPATOR-C-FST NS10 ST1000 | dwg |
| OLEOPATOR-C-FST NS15 ST1500 | dwg |
| OLEOPATOR-C-FST NS20 ST2000 | dwg |
| OLEOPATOR-C-FST NS30 ST3000 | dwg |
| OLEOPATOR-C-FST NS40 ST4000 | dwg |
| OLEOPATOR-C-FST NS50 ST5000 | dwg |
| OLEOPATOR-C-NST NS65 + CS 6500 | dwg |
| OLEOPATOR-C-NST NS80 + CS 8000 | dwg |
| OLEOPATOR-C-NST NS100 + CS 8000 | dwg |
| OLEOPATOR-C | xlsx |
| OLEOPATOR-C |
| Br. artikla | NS | Volumen | Uljev/izljev | Masa | ||
|---|---|---|---|---|---|---|
| Taložnice | Ulja | Ukupno | OD | Donji dio | ||
| [l] | [l] | [l] | [mm] | [kg] | ||
| 722100 | 1,5 | 150 | 163 | 500 | 110 | 1468 |
| 722101 | 3 | 300 | 163 | 750 | 110 | 1765 |
| 722103 | 600 | 163 | 930 | 2279 | ||
| 722105 | 4 | 400 | 160 | 740 | 160 | 1769 |
| 722108 | 1200 | 236 | 1530 | 2888 | ||
| 722110 | 6 | 600 | 160 | 910 | 160 | 2287 |
| 722112 | 1200 | 236 | 1530 | 2888 | ||
| 722113 | 1800 | 576 | 2650 | 4397 | ||
| 722114 | 2500 | 576 | 3240 | 4219 | ||
| 722115 | 5000 | 1272 | 6480 | 6943 | ||
| 722116 | 8 | 800 | 273 | 1520 | 160 | 3862 |
| 722117 | 1600 | 576 | 2300 | 3995 | ||
| 722119 | 2400 | 576 | 3240 | 4220 | ||
| 722118 | 8-10 | 1000 | 273 | 1520 | 160 | 2889 |
| 722121 | 2500 | 576 | 3240 | 4220 | ||
| 722123 | 5000 | 1272 | 6480 | 6944 | ||
| Br. artikla | NS | Volumen | Uljev/izljev | Masa | ||
|---|---|---|---|---|---|---|
| Taložnice | Ulja | Ukupno | OD | Donji dio | ||
| [l] | [l] | [l] | [mm] | [kg] | ||
| 722120 | 10 | 2000 | 576 | 2700 | 160 | 4398 |
| 722122 | 3000 | 576 | 3790 | 4776 | ||
| 722124 | 15 | 1500 | 464 | 2440 | 200 | 4405 |
| 722125 | 3000 | 1163 | 4620 | 160 | 4783 | |
| 722126 | 5000 | 594 | 6970 | 200 | 7152 | |
| 722127 | 20 | 2000 | 594 | 3200 | 200 | 4243 |
| 722128 | 4000 | 1163 | 5630 | 6322 | ||
| 722129 | 5000 | 1163 | 6970 | 7153 | ||
| 722130 | 6000 | 1163 | 7730 | 7759 | ||
| 722131 | 30 | 3000 | 1513 | 2550 | 250 | 6690 |
| 722132 | 5000 | 1513 | 2550 | 7799 | ||
| 722133 | 6000 | 1513 | 2550 | 8503 | ||
| 722134 | 40 | 4000 | 1350 | 4565 | 315 | 7806 |
| 722135 | 5000 | 1350 | 4565 | 8006 | ||
| 722136 | 50 | 5000 | 1350 | 4565 | 315 | 8006 |
| Br. artikla | NS | Volumen | Uljev/izljev | Masa | |
|---|---|---|---|---|---|
| Ulja | Ukupno | OD | Donji dio | ||
| [l] | [l] | [mm] | [kg] | ||
| 722300 | 1,5-3 | 163 | 450 | 110 | 1468 |
| 722301 | 4-6 | 160 | 470 | 160 | 1481 |
| 722302 | 8-10 | 185 | 470 | 160 | 1482 |
| 722303 | 15 | 464 | 1550 | 200 | 3870 |
| 722304 | 20 | 594 | 1550 | 250 | 3879 |
| 722305 | 30 | 654 | 1520 | 315 | 3902 |
| 722306 | 40 | 1350 | 3760 | 315 | 5867 |
| 722307 | 50 | 1350 | 3760 | 315 | 5867 |
| 722308 | 65 | 1674 | 4600 | 315 | 6521 |
| 722309 | 80 | 2216 | 6050 | 400 | 7445 |
| 722310 | 100 | 2216 | 7370 | 400 | 8305 |
| Br. artikla | NS | Dimenzije | Dubina uljevne cijevi | Br. artikla | Br. artikla | ||||
| H1 | H2 | ØD1 | ØD2 | T tank | Tmax | STANDARD pokrovna ploča | POVIŠENA pokrovna ploča | ||
| [mm] | [mm] | [mm] | [mm] | [mm] | [mm] | ||||
|---|---|---|---|---|---|---|---|---|---|
| 722100 | 1,5 | 790 | 770 | 1000 | 1270 | 375 | 5360 | 728000 | - |
| 722101 | 3 | 1120 | 1100 | 1000 | 1270 | 365 | 5350 | 728000 | - |
| 722103 | 1360 | 1340 | 1000 | 1270 | 400 | 5385 | 728000 | - | |
| 722105 | 4 | 1095 | 1075 | 1000 | 1270 | 390 | 5375 | 728000 | - |
| 722108 | 1520 | 1500 | 1200 | 1475 | 355 | 5340 | 728000 | 728213 | |
| 722110 | 6 | 1335 | 1315 | 1000 | 1270 | 425 | 5410 | 728000 | - |
| 722112 | 1520 | 1500 | 1200 | 1475 | 355 | 5340 | 728007 | 728213 | |
| 722113 | 1640 | 1620 | 1500 | 1820 | 370 | 5355 | 728012 | 728209 | |
| 722114 | 2005 | 1985 | 1500 | 1740 | 380 | 5365 | 728012 | 728209 | |
| 722115 | 1925 | 1905 | 2200 | 2440 | 400 | 5385 | 728026 | 728214 | |
| 722116 | 10 | 1150 | 1130 | 1500 | 1740 | 415 | 5400 | 728012 | 728209 |
| 722117 | 1440 | 1420 | 1500 | 1820 | 370 | 5355 | 728012 | 728209 | |
| 722119 | 2005 | 1985 | 1500 | 1740 | 380 | 5365 | 728012 | 728209 | |
| 722118 | 8-10 | 1520 | 1500 | 1200 | 1475 | 355 | 5340 | 728007 | 728213 |
| 722121 | 2005 | 1985 | 1500 | 1740 | 380 | 5365 | 728012 | 728209 | |
| 722123 | 1925 | 1905 | 2200 | 2440 | 400 | 5385 | 728026 | 728214 | |
| Br. artikla | NS | H1 | H2 | ØD1 | ØD2 | T pokrov | Dubina uljevne cijevi | Br. artikla | Br. artikla |
| Tmax | STANDARD pokrovna ploča | POVIŠENA pokrovna ploča | |||||||
| [mm] | [mm] | [mm] | [mm] | [mm] | [mm] | ||||
| 722120 | 10 | 1675 | 1655 | 1500 | 1820 | 335 | 5320 | 728012 | 728209 |
| 722122 | 2340 | 2320 | 1500 | 1740 | 375 | 5360 | 728012 | 728209 | |
| 722124 | 15 | 1620 | 1600 | 1500 | 1820 | 390 | 5375 | 728013 | 728224 |
| 722125 | 2270 | 2250 | 1500 | 1740 | 445 | 5430 | 728013 | 728224 | |
| 722126 | 2055 | 2035 | 2200 | 2440 | 400 | 5385 | 728027 | 728226 | |
| 722127 | 20 | 1980 | 1960 | 1500 | 1740 | 405 | 5390 | 728012 | 728209 |
| 722128 | 1700 | 1680 | 2200 | 2440 | 355 | 5340 | 728027 | 728214 | |
| 722129 | 2055 | 2035 | 2200 | 2440 | 400 | 5385 | 728027 | 728214 | |
| 722130 | 2255 | 2235 | 2200 | 2440 | 460 | 5445 | 728027 | 728214 | |
| 722131 | 30 | 1760 | 1740 | 2200 | 2440 | 430 | 5415 | 728026 | 728214 |
| 722132 | 2230 | 2210 | 2200 | 2440 | 485 | 5470 | 728026 | 728214 | |
| 722133 | 2440 | 2420 | 2200 | 2440 | 455 | 5440 | 728026 | 728214 | |
| 722134 | 40 | 2130 | 2110 | 2200 | 2440 | 585 | 5570 | 728028 | 728222 |
| 722135 | 2305 | 2285 | 2200 | 2440 | 540 | 5525 | 728028 | 728222 | |
| 722136 | 50 | 2305 | 2285 | 2200 | 2440 | 540 | 5525 | 728028 | 728222 |
| Br. artikla | NS | H1 | H2 | ØD1 | ØD2 | T pokrov | Dubina uljevne cijevi | Br. artikla | Br. artikla |
| Tmax | STANDARD pokrovna ploča | POVIŠENA pokrovna ploča | |||||||
| [mm] | [mm] | [mm] | [mm] | [mm] | [mm] | ||||
| 722300 | 1,5-3 | 785 | 765 | 1000 | 1270 | 375 | 5375 | 728000 | - |
| 722301 | 4-6 | 785 | 765 | 1000 | 1270 | 380 | 5380 | 728000 | - |
| 722302 | 8-10 | 785 | 765 | 1000 | 1270 | 380 | 5380 | 728000 | - |
| 722303 | 15 | 1105 | 1085 | 1500 | 1740 | 460 | 5460 | 728013 | 728209 |
| 722304 | 20 | 1105 | 1085 | 1500 | 1740 | 460 | 5460 | 728013 | 728209 |
| 722305 | 30 | 1080 | 1060 | 1500 | 1740 | 485 | 5485 | 728019 | 728230 |
| 722306 | 40 | 1210 | 1190 | 2200 | 2440 | 585 | 5585 | 728028 | 728222 |
| 722307 | 50 | 1210 | 1190 | 2200 | 2440 | 585 | 5625 | 728028 | 728222 |
| 722308 | 65 | 1430 | 1410 | 2200 | 2440 | 625 | 5625 | 728036 | - |
| 722309 | 80 | 1810 | 1790 | 2200 | 2440 | 645 | 5645 | 728036 | - |
| 722310 | 100 | 2160 | 2140 | 2200 | 2440 | 685 | 5685 | 728036 | - |
Svaki model ACO Oleopator separatora (svaka nominalna veličina) laboratorijski je ispitivana pri nezavisnom ispitnom tijelu - LGA institutu (Landesgewerbeanstalt Bayern) iz Nürnberga. Prilikom ispitivanja separatora provjeravaju se, ne samo učinkovitost pročišćavanja, nego i sve ostale bitne tehničke karakteristike propisane normom (volumeni, korišteni materijali i sl.) - HRN EN 858-1:2002, točka 9.1. ACO je samo jedan od nekoliko Europskih proizvođača koji ima sve separatore do NS 100 hidraulički ispitane (obzirom da ne postoji uređaj za ispitivanje separatora lakih tekućina protoka većeg od 100 l/s ACO Oleopator separatori veći od NS 100 (100 l/s) nisu hidraulički ispitani).
Svi ACO separatori su, ne samo hidraulički ispitani, već i konstruirani na temelju rezultata hidrauličkih ispitivanja, kako bi se njihova konstrukcija i veličina uskladili sa zahtjevima norme s jedne strane, ali i optimizirali s druge strane. Na ovaj način smo dobili separatore koji za danu nominalnu veličinu (protok) imaju ukupni volumen među najmanjima na tržištu i koji od nekih konkurenata za istu nominalnu veličinu mogu imati i do 50% manji ukupni volumen (a time i toliko manje troškove zbrinjavanja / pražnjenja).
Oleopator separatori su koalescentni separatori lakih tekućina (nafte i naftnih derivata), što znači da za izdvajanje lakih tekućina iz otpadne vode separator koristi dvije fizikalne pojave: gravitaciju i efekt koalescencije.
Gravitacijska separacija funkcionira tako da lake tekućine koje su lakše od vode isplivaju na površinu separatora, a talog i zauljeni mulj koji su teži od vode padaju na dno (u integriranu taložnicu). Međutim, gravitacija ne djeluje na izrazito sitne čestice lakih tekućina stoga se za postizanje propisane učinkovitosti pročišćavanja u Oleopator separatorima koristi i efekt koalescencije. Naftni derivati imaju visok afinitet prema polipropilenu – lako se hvataju na polipropilenski materijal – pa je od polipropilenskog filca ili spužve napravljen koalescentni element na koji se primaju i zadržavaju sitne čestice naftnih derivata čime se postiže tražena učinkovitost pročišćavanja (lakih tekućina u izlaznoj vodi ≤ 5mg/l).
Prilikom rada, separator lakih tekućina izdvaja lake tekućine iz otpadne vode i skladišti ih na površini vode unutar separatora. Prostor za skladištenje separirane nafte je ograničen i najčešće ima debljinu od 15 do 30 cm. Ako se separator lakih tekućina koristi i za sprečavanje izlijevanja nafte (havarija), tada je neophodno da je opremljen uređajem za sprečavanje otjecanja separiranih lakih tekućina iz separatora tj. sigurnosnim plovkom (HRN EN 858-1:2002, točka 6.5.3).
Kako bi separator mogao normalno funkcinirati odnosno kako mulj iz otpadne vode prebrzo ne „začepi“ koalescentni element, separatori moraju imati taložnicu. Taložnica može biti zasebni dio smješten uzvodno prije samog separatora ili može biti dio konstrukcije separatora, a njena veličina se odabire u skladu s karakteristikama slivne površine na kojoj nastaje otpadna voda.
Važna napomena: učinkovitost taloženja nije propisana normom i separatori lakih tekućina ne služe za uklanjanje suspendiranih tvari, taloga ili sličnih onečišćenja iz otpadne vode (već samo za uklanjanje „Ukupnih ugljikovodika“).
ACO Oleopator separatori proizvode se s različitim veličinama integriranih taložnica, ali i bez taložnice kada se s njima kombiniraju zasebne taložnice.
ACO Oleopatori (do NS 50) koriste „vertikalnu separatorsku konstrukciju“ – kada je taložnica integrirana sa separatorom ona je smještena ispod separacijske komore, a između njih ne postoji fizička pregrada. Ovakva konstrukcija ima nekoliko prednosti:
ACO sa svojim betonskim separatorima, u standardnom obimu isporuke, isporučuje i gumene brtve za sve spojeve predfabriciranih betonskih elemenata za d ≥ 100 cm* (tijela separatora i pristupna okna). Za ovu namjenu koristimo DS SDV brtvu iz EPDM gume prema HRN EN 681-1 koja u jednom elementu kombinira tvornički podmazanu kliznu crijevnu brtvu za betonska okna sukladna HRN EN 1917 i prsten za raspodjelu opterećenja koji osigurava veliku kontaktnu površinu na spoju dvaju betonskih elementa.
Ove brtve se mogu brzo montirati na betonski element, čime svi pripremni radovi za postavljanje slijedećeg elementa završavaju. Za razliku od „standardnih“ brtvi gdje je nakon postavljanja brtve potrebno izraditi mortnu fugu kako bi se osigurao adekvatan prijenos opterećenja s jednog betonskog elementa na drugi. Korištenjem ovih brtvi, separator je odmah po završetku montaže vodotijesan i spreman za ispitivanje vodonepropusnosti.
* Za prstene poklopca (d < 100 cm) spojna / brtvena masa nije uključena u obim isporuke ACO betonskih separatora.
Da bi se osigurala normalna preglednost u separatoru (kako bi s poklopca vizualno mogla pregledati unutrašnjost separatora) te da bi separator bilo moguće učinkovito očistiti, pristupno okno separatora treba biti adekvatne veličine koja ovisi o dubini instalacije. Odnosno, ukoliko je pristupno okno duboko 2 metra, a svijetli otvor 60x60 cm, kroz njega se ne vidi što se događa u separatoru te mlaz vode kojim se čisti unutrašnjost separatora ne može dosegnuti stijenke separatora niti se u slučaju potrebe djelatnik održavanja može spustiti u separator.
Pojednostavljeno tumačenje HRN EN 476, točka 6.1. kaže:
Ova razlika (dvije verzije) postoji zbog poštivanja HRN EN 476 tj. zbog osiguravanja normalne pristupačnosti separatoru (za veće dubine ugradnje pristup kroz 60 cm pristupno okno ne omogućava normalno održavanje separatora).
3. NASTAVCI PRISTUPNOG OKNA ili prsteni poklopca
Za precizno prilagođavanje pristupnog okna separatora terenu, na pokrovnu ploču dodajemo standardne nastavke pristupnog okna i/ili prstene poklopca.
| Br. artikla | Tip | Dimenzije | Pozicioniranje prstena poklopca na povišenje okna 1 i 2 | Ukupna visina uključujući fuge od maltera | Težina | ||
| T | D1 | D2 | |||||
| [mm] | [mm] | [mm] | [kg] | ||||
| 727400 | AR-V 625 x 60 | 60 | 625 | 865 | Poz. 1 | 70 | 50 |
| 727401 | AR-V 625 x 80 | 80 | 625 | 865 | Poz. 1 | 90 | 60 |
| 727402 | AR-V 625 x 100 | 100 | 625 | 865 | Poz. 1 | 110 | 70 |
| 727403 | AR-V 625 x 200 | 200 | 625 | 865 | Poz. 1 | 210 | 140 |
| 727404 | AR-V 625 x 400 | 400 | 625 | 865 | Poz. 1 | 410 | 280 |
| 727405 | AR-V 800 x 100 | 100 | 800 | 1100 | Poz. 1 | 110 | 110 |
| 727406 | AR-V 800 x 150 | 150 | 800 | 1100 | Poz. 1 | 160 | 165 |
| 727407 | AR-V 800 x 200 | 200 | 800 | 1100 | Poz. 1 | 210 | 220 |
| 727408 | AR-V 800 x 400 | 400 | 800 | 1100 | Poz. 1 | 410 | 415 |
| Br. artikla | Tip | Dimenzije | Pozicioniranje prstena poklopca na povišenje okna 1 i 2 | Ukupna visina uključujući fuge od maltera | Težina | ||
| T | D1 | D2 | |||||
| [mm] | [mm] | [mm] | [kg] | ||||
| 728110 | SR-M 1000 x 250 | 250 | 1000 | 1240 | Poz. 2 | 265 | 240 |
| 727111 | SR-M 1000 x 500 | 500 | 1000 | 1240 | Poz. 2 | 515 | 500 |
| 727112 | SR-M 1000 x 750 | 750 | 1000 | 1240 | Poz. 2 | 765 | 750 |
| 727113 | SR-M 1000 x 1000 | 1000 | 1000 | 1240 | Poz. 2 | 1015 | 1000 |
Naši armirano-betonski tankovi se proizvode iz betona različitih razreda čvrstoće, gdje je najslabiji C 45/55 (prema HRN EN 206:2021). Ovakav beton ima sadržaj cementa od 320 KG po m³ betona. Minimalna zahtijevana čvrstoća betona koju HRN EN 858-1 propisuje je C 35/45 (točka 6.2.2 norme).

Neke izvedbe separatora proizvodimo iz betona većih razreda čvrstoće tzv. HPC betona (od eng: High Perfomace Concrete) tj. betona visokih performansi. Razredi čvrstoće ovih betona su C 50/60 i C 60/75. Kada koristimo ove betone, ne koristimo zaštitne premaze zbog činjenice da ovakvi betoni, između ostalog, osiguravaju i bolju vodonepropusnost u odnosu na standardne betone.
Da bi se produžio životni vijek betonskih separatora proizvedenih iz betona niže čvrstoće (C 45/55) unutrašnjost separatora dodatno premazujemo zaštitnim premazom STEOPOX 246. To je pigmen- tirana dvokomponentna tekuća plastika bez otapala s tiksotropnim svojstvima koja je namijenjena za premazivanje interijera betonskih spremnika za vodu, cijevovoda, spremnika i drugih betonskih površina. Ispitan je u skladu s EN 858-1 kao unutarnji zaštitni premaz za separatore lakih tekućina (uključujući biodizel). Koristimo ga u 2 boje: RAL 5012 (svijetloplava) i RAL 7031 (plavo siva).
Kako bi se osigurala odgovarajuća trajnost betona on treba biti otporan na kemijsko i fizikalno djelovanje okoline. Ovakva otpornost je normom HRN EN 206 određena klasama izloženosti. Klase izloženosti uvjetuju sastav betona koji se koristi, minimalnu debljinu betonskog pokrova na armaturi kao i dopuštena veličinu (širinu) pukotina u betonu. Dozvoljena širina pukotine za betonske separatore je 0,2 mm.
Klase izloženosti koje naš beton zadovoljava:
KEMIJSKO DJELOVANJE
XA3 - jako kemijsko djelovanje
DJELOVANJE SMRZAVANJA I ODMRZAVANJA SA ILI BEZ SOLI ZA ODMRZAVANJE
XF4 - visoka zasićenost vodom sa solima za odmrzavanje. U ovu klasu treba svrstavati betonske površine izložene neposrednom djelovanju smrzavanja i soli za odmrzavanje kao što su npr. prometne kolničke površine i zone plime i oseke i zapljuskivanja valovima izložene i smrzavanju.
| OLEOPATOR-C-FST NS1,5 ST150 | dwg |
| OLEOPATOR-C-FST NS3 ST300 | dwg |
| OLEOPATOR-C-FST NS4 ST400 | dwg |
| OLEOPATOR-C-FST NS6 ST600 | dwg |
| OLEOPATOR-C-FST NS10 ST1000 | dwg |
| OLEOPATOR-C-FST NS15 ST1500 | dwg |
| OLEOPATOR-C-FST NS20 ST2000 | dwg |
| OLEOPATOR-C-FST NS30 ST3000 | dwg |
| OLEOPATOR-C-FST NS40 ST4000 | dwg |
| OLEOPATOR-C-FST NS50 ST5000 | dwg |
| OLEOPATOR-C-NST NS65 + CS 6500 | dwg |
| OLEOPATOR-C-NST NS80 + CS 8000 | dwg |
| OLEOPATOR-C-NST NS100 + CS 8000 | dwg |
| OLEOPATOR-C | xlsx |
| OLEOPATOR-C |